[10000印刷√] 赤外線 送受信 716770-赤外線 送受信 キット
irda赤外線通信モジュール rpm841 h16e4a3 センサ一般 秋月電子通商 電子部品 ネット通販
赤外線 送受信 キット
赤外線 送受信 キット-


赤外線送受信 Remote Control M5stickc非公式日本語リファレンス


M5stack用赤外線送受信ユニット M5stack Ir Unit M5stack製 電子部品 半導体通販のマルツ


赤外線送受信 Remote Control M5stickc非公式日本語リファレンス


赤外線リモコンの通信フォーマット


Amazon Co Jp 10ペアir Led 5mm 3mm赤外線送受信ダイオード 10個発光 10個受信 F3 F5発光受信送信 3mm 10ペア Diy 工具 ガーデン


ラップタイマー 赤外線センサー送受信 液晶 受信機分離式 取付 取外簡単 モニター充電式 サーキットに大活躍 Lpv4の通販はau Pay マーケット オリジンモール 24日 還元祭クーポン有 Au Pay マーケット店


M5stack Atomで赤外線リモコンを作る 2 受信編 Iot Gym


赤外線通信 サービス 機能 Au


マイコンの実験 赤外線通信実験2


1


Pic16f84による赤外線送信回路について Everydaythanks


赤外線の利用について Basio4 Kyv47 オンラインマニュアル 取扱説明書 Au


Faq 赤外線で連絡先や画像等の送受信する方法を教えてください


ヤフオク Pic16f84a Pic12f629使用 2 4ch合計8ch赤外線リ


赤外線でデータをやりとりする


赤外線でデータの送受信をしよう Htc J 非公式マニュアル


電子工作のテスト工場 Picで赤外線通信


Iphoneには赤外線がないけど消えゆく技術なの いまさら聞けない 赤外線通信入門 1 4 ページ Monoist


Arduinoでパーツやセンサーを使ってみよう 赤外線リモコン 前編 Device Plus デバプラ


これは使える 離れた場所に光で音楽を送信 赤外線方式音楽送受信キット Mk 159


赤外線リモコン 送受信波形


M5stack用赤外線送受信ユニット Ir Unit 製品紹介


赤外線でデータをやりとりする


irda赤外線通信モジュール rpm841 h16e4a3 センサ一般 秋月電子通商 電子部品 ネット通販


9 トラ技mbedで赤外線送受信 Mbed


00 号 赤外線通信方法及び赤外線通信装置 Astamuse


一部のスマホで 赤外線通信 が復活 どうして Phile Web


Search Q E8 B5 E5 96 E7 9a 95 A3 Ab Bf Tbm Isch


製品情報 ナガレ ソーラー赤外線送受信工事灯 トーグ安全工業株式会社


電子工作のテスト工場 Picで赤外線通信


M5stickcで赤外線リモコンデータを送受信してみた Sasapea S Lab


Kddi Au 基本機能 アドレス帳を送受信する


安直に赤外線通信回路を作る Qiita


赤外線通信対応スマートフォンの赤外線通信 送受信 方法 携帯電話のお悩み解決 スマホ生活 Com


Docomo N 08bの便利ツール赤外線送受信を使ってみました


Raspberrypiに赤外線ledを組み合わせて自宅の照明をiphoneから操作する 1 赤外線受信編 Ryosuke Nakagawaのブログ


赤外線でリモコンの信号を送受信する実験 Raspberry Piブログ


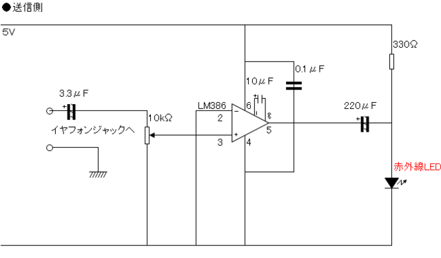
赤外線リモコンの製作 送信側


赤外線リモコンの作り方


Androidスマホの赤外線通信方法 データや写真の送信 受信をするには アプリやwebの疑問に答えるメディア


使い方ガイド 赤外線送受信を利用する Digno M スマートフォン Android スマホ 京セラ


ナガレ ソーラー赤外線送受信工事灯 トーグ安全工業 コーン用セーフティライト 通販モノタロウ Ss S113rg B


Pythonとpigpioでraspberry Piの赤外線制御 家電 エアコン 照明 テレビなどを制御するホームiot Indoor Corgi


赤外線受信機 株式会社ダイセン電子工業


株式会社若松通商 Mk321 Built 15m離れた装置をオンオフ可能 100vリレー付き赤外線リモコン送受信機キット完成品


Esp32 Mqtt Mqttで赤外線制御


赤外線送受信の実験 Cpuを作ろう 計算機教材とマイコンと電子工作 楽天ブログ


赤外線の利用について 赤外線通信 データ通信 Basio3 ベイシオ スリー Kyv43 取扱説明書 詳細版 オンラインマニュアル Au


Iphone Ipad 赤外線送信 アプリ


マイコンの実験 赤外線通信実験1


赤外線でデータをやりとりする 赤外線を利用して 電話機などほかの機器とデータ 電話帳 メモ帳 ブックマーク メール プロフィール 静止画 動画 音楽など をやりとりできます データを1件ずつ受信する 機能ごとのデータを一括して受信する


Kddi Au その他 赤外線の利用について


赤外線でデータをやりとりする


Androidで赤外線送信する方法 アプリなしでできる


2 5 赤外線リモコン受信 Remo Slab学習サイト


2


27 赤外線送受信機 Tibbo Pi ティーボパイ


Amazon M5stack用赤外線送受信ユニット 基板 産業 研究開発用品 通販


赤外線通信を利用する


Q Tbn And9gcrmzn1aphvayyugmahdeehrxzq9movifqw3orpng C0jsmq5r1l Usqp Cau


Q Tbn And9gctejaay56ruorunjf9dcxosgu4l0iagrwwanm0hg Xdup9dt6vb Usqp Cau


赤外線でデータをやりとりする


実用ライブラリシリーズ 赤外線送受信ライブラリ Mbed


H8 3664 赤外線リモコン送受信 Mobilehackerz


Androidスマホの赤外線でデータ転送する方法 送信 受信のやり方 アンドロイドゲート


赤外線用の学習リモコンをbluetooth操作対応リモコンにしてみた


M5stack用赤外線送受信ユニット Lang Ship


特長紹介 赤外線通信 Advanced W Zero3 Es シャープ


赤外線でデータをやりとりする 赤外線を利用して 電話機などほかの機器とデータ 電話帳 メモ帳 ブックマーク メール プロフィール 静止画 動画 音楽など をやりとりできます データを1件ずつ受信する 機能ごとのデータを一括して受信する


M5stickcで赤外線リモコンデータを送受信してみた Sasapea S Lab


リモコン技術記事 Windows7対応赤外線送受信ユニット


Wroom 02を使った赤外線リモコンの調査 東京お気楽カメラ


携帯電話 Is04 赤外線通信が利用できない Fmworld Net 個人 富士通


M5stack用赤外線送受信ユニット スイッチサイエンス


Xperia Z1 Sol23 赤外線でデータを送受信する Youtube


赤外線方式音楽送受信キット Mk 159 マイコンキットドットコム製 電子部品 半導体通販のマルツ


電子工作室


試行錯誤な日々 Arduinoで赤外線リモコンの値を読み取り 送信する方法


Pakite Pat 590 ワイヤレスhdmi送受信機セット Wuxga 3d映像 1080p対応 最大150m無線伝送可能 赤外線リモコン対応 映像と音声を無線 Tszショップ店


電子工作キット 通販 販売 のrpeパーツ 赤外線リモコン送受信機キット


Softbank 303sh 取扱説明書


Adrszirs ゼロワン 赤外線送信拡張基板 Bit Trade One Ltd


赤外線送受信実験セット Aitendo


Wemosを使ってみる


2 1 5 赤外線リモコン受信 Slab学習サイト


使い方ガイド 赤外線送受信を利用する Digno M スマートフォン Android スマホ 京セラ


M5stickc M5stack Fireで赤外線リモコンを作ろうと四苦八苦したのでメモ カワリモノ息子の技術メモ的な


赤外線送受信機 No 14 Pic12c509a 受信機


これは使える 離れた場所に光で音楽を送信 赤外線方式音楽送受信キット


赤外線で簡易な音声通信の実験 かりおかの実験室


Androidスマホで赤外線通信をする方法 できないときの解決策も紹介 Iphone アイフォン 修理 名古屋ならスマホスピタル名古屋金山店へ


赤外線送受信モジュール Aitendo


使い方ガイド 赤外線送受信 Urbano L01 スマートフォン Android スマホ 京セラ


赤外線通信でサーボモーターを制御する方法 Osoyoo Com


ラップタイマー 赤外線センサー送受信 液晶 受信機分離式 Lpv4の通販はau Pay マーケット ほっとモール 800円クーポン対象


Eckyb8bwdo5g Com Iphone Sekigaisenn Soujyushinn 646


Iphoneで赤外線通信はできない データの送受信はairdropで Bitwave


赤外線送受信の実験 Cpuを作ろう 計算機教材とマイコンと電子工作 楽天ブログ


Stm8s Stvd Raisonance Irda Remocon


赤外線でデータをやりとりする


Faq 赤外線で連絡先や画像等の送受信する方法を教えてください


スマホの赤外線通信 送信できるもの できないもの アンドロイド Android Andropp あんどろっぷ


Raspberrypi用の赤外線送受信リモコンを作る


Esp32で赤外線通信ができるライブラリ Irremoteesp66 の使い方 Wak Tech


赤外線リモコンの送受信をしてみました Atmega168 電子工作 動作編 ノリユキのブログ

コメント
コメントを投稿